소형 미니 진동발생 가진기 Shaker EVT-1000, 파워앰프 PA-100 연결 및 작동법
.png)
한국SI / 02-6348-3500 / hksi@hksi.co.kr / www.hksi.co.kr / 가속도센서, 진동센서, 가속도계, 마이크로폰, FFT분석기, 소음분석기, 진동분석기, 가진기, 임팩트해머, 소음계, 소음측정기, 소음진동측정기, microphone, 진동측정기, 진동측정, accelerometer, shaker, 진동계, 음향측정기, 음향테스트, 진동소음측정기, PCB가속도계, 음향분석기, Sound level meter, 소음센서, 주파수분석, PCB가속도센서, 음향공진, 진동실험, 소음진동분석기, vibration sensor, 음향공진검사, 옥타브분석, 소형가진기, 미니가진기, 모달가진기, PCB진동센서, 저가형가속도센서, MMF가속도센서, MMF진동센서, MMF가속도계, Kistler, Dytran, Hansford, SKC, STI, YMC, PCB, SpectraPLUS, DataTranslation, DeweSoft, Endveco, Labworks
Model : HS 13A131
- 정밀 진동 측정용 진동센서 (가속도센서, 가속도계, accelerometer)
- IEPE (ICP, CCLD, Deltatron, Isotron, CCP ) 타입
- 감도 (Sensitivity) : 100 mV/g (10.2 mV/m/s2)
- 측정범위 (Measurement Range) : ± 50 g pk (± 490 m/s2 pk)
- 주파수범위 (Frequency Range) : 0.5 ~ 10,000 Hz
- 공진주파수 (Resonant Frequency) : ≥ 25 kHz
- 분해능 (Broadband Resolution) : 0.0005 g rms
- 충격한계 (Overload Limit (Shock)) : ± 2000 g pk
- 온도범위 (Temperature Range) : - 40 ~ 121 ℃
- 인가 전압 (Excitation Voltage) : 18 ~ 28 VDC
- 인가 정전류 (Constant Current Excitation) : 2 ~ 10 mA
- 출력 Bias 전압 (Output Bias Voltage) : 9.5 ~ 12.5 VDC
- 사용 소자 (Sensing Element) : 세라믹 (Ceramic)
- 내부 형상 (Sensing Geometry) : Shear
- 외부 재질 (Housing Material) : 스테인리스스틸 (Stainless Steel)
- 실링 (Sealing) : 에폭시 (Epoxy Glue)
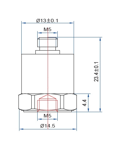
- 케이블 연결 커넥터 (Electrical Connector) : M5 Coaxial Jack
- 케이블 연결 방향 (Electrical Connection Position) : 탑 (Top)
- 마운팅 나사 (Mounting Thread) : M5
- 사이즈 (Size) : H 23.4 mm x W 14.5 mm
- 무게 (Weight) : 14.5 gm
[한국SI - 음향소음진동솔루션 / 소음진동 장비 및 센서 전문 컨설팅 / 02-6348-3500]
댓글
댓글 쓰기